Полы

Отделка

Спортивные покрытия

Услуги бетононасосов

Бетон

Конструктивные узлы

Шеф-монтаж

Восстановление и защита от коррозии бетонных конструкций

Технические материалы, описания, инструкции

КОНСТРУКТИВНЫЕ УЗЛЫ

Усадочный шов

(шов сжатия)

Температурный шов

(шов расширения и сжатия)

Изоляционный шов

Деформационный шов

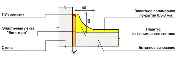
Жестнкое примыкание пол - стена
с полимерным плинтусом

Изоляционный шов с полимерным плинтусом

Примыкание к металлической закладной детали

Примыкание к другим типам покрытий

(усиление сцепления с помощью полимерного анкера)